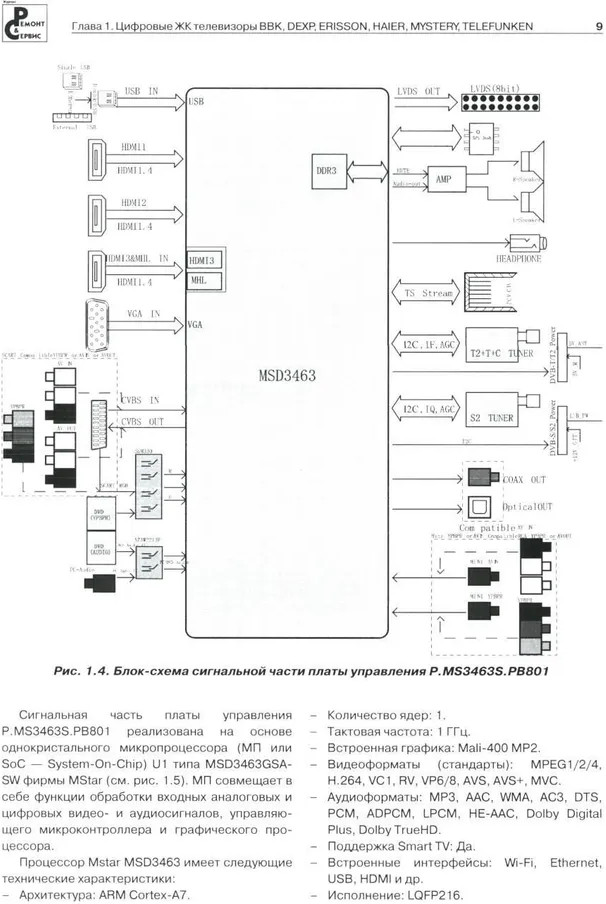
Ремонт. Выпуск 163. Smart-телевизоры на платах управления КНР 2015-2019 гг.В данный момент этот товар отсутствует в продаже. Возможно, у нас найдется аналогичный или похожий товар здесь. В очередной книге серии «Ремонт» описаны популярные модели современных жидкокристаллических телевизоров со светодиодной подсветкой компаний (брендов) BBK, DIGMA, DEXP, HAIER, HISENSE, HYUNDAY, MYSTERY, ROLSEN, SHARP, SHIVAKI, SUPRA, TELEFUNKEN, THOMSON, PHILIPS. Рассмотрены 4 телевизионных шасси (платы управления), три из которых — TP.MS3463S.PB801, MSD6486T и TP.MS6308.PB711 — производства КНР. На основе этих шасси выпускается большое количество телевизоров под различными торговыми марками. Четвертое из рассматриваемых шасси PHILIPS TPM19.6E LA разработано компанией TP Vision Netherlands B.V. в 2019 году и предназначено для телевизоров с большими диагоналями панелей (от 43 дюймов) с разрешением Ultra HD (3840 2160p — 60 Гц). Три из рассматриваемых шасси поддерживают мультимедийную технологию Smart TV, позволяющую с помощью встроенного программного обеспечения работать в беспроводных и проводных сетях (Интернет) с поддержкой различных протоколов обмена и форматов аудио- и видеофайлов и т.д. По каждой модели приводятся блок-схема, принципиальная электрическая схема, подробно описывается работа всех ее составных частей, порядок регулировки шасси в сервисном режиме и обновления программного обеспечения. Практическая ценность книги определяется подробным описанием типовых неисправностей и описанием методики их поиска и устранения. |
Солон-Пресс, Россия, все товары























































































































































%text%