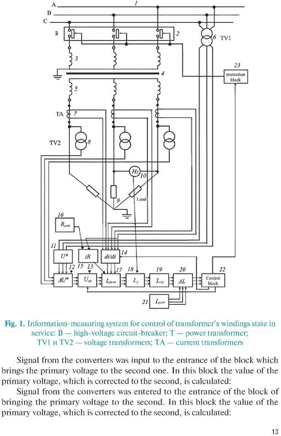
Английский язык в профессиональной деятельности. Электро- и теплоэнергетикаВ данный момент этот товар отсутствует в продаже. Возможно, у нас найдется аналогичный или похожий товар здесь. Серия: Бакалавриат и магистратура Представляет собой новую разработку материала оригинального английского технического языка, проверенного носителями языка. Содержит материал по чтению. Состоит из семи глав, в которых изучаются следующие темы: Monitoring Systems (Smart Grid) and Diagnostics of Electrical Equipment Faults, Diagnostics and transformer testing experience by LVI/FRA methods, Shortcurrent Testing Laboratories. Short-circuit performance of power transformers, transformer testing experience, Diagnostics by infra-red and ultraviolet control, partial discharges for detection of electrical equipment’s faults, defects. |
Детальная информация
Издательство
Бумага
офсетная
Предметы
английский язык
Язык
английский, русский
Переплет
твердый переплет
Дата выхода
2024
ISBN
978-5-406-12052-1
Количество страниц
180
Код товара
3617167
Издательство
КноРус, Россия, все товары
Авторы
Разделы товара






















































































































































%text%